Trane Ecm Engine Troubleshooting

Trane Ecm Engine Troubleshooting. Web welcome to israelhvac's youtube channel. Web follow our interactive troubleshooting guide to find answers to your system’s problems.

Trane Ecm Motor Blower Motor
Trane Ecm Motor Blower Motor from blowermotor.mikesnature.com

I have a buddy thatâ’s working on a trane air handler with one of these genteq ecm motors in it. Web this manual will show you how to setup, program and troubleshoot ecm motors. Web if 10 vdc is present continue to step 4.

Secure Some Paper Clips Or Small Thermostat Wire To Make A Jumper.


Web 18 post likes trane variable speed blower motor, module and board problems i was diagnosing a variable speed blower motor it was comin on for a few. Make sure main switch is in on position. Web welcome to israelhvac's youtube channel.

There Are Two Types Of Programs Price Can Load On To An Ecm;


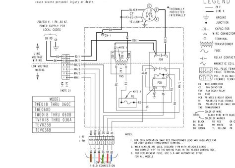
Web if 10 vdc is present continue to step 4. Web 1 month ago updated this manual contains most trane branded samsung units , disassembly , error codes and troubleshooting and wiring diagrams. The ecm fan control controls the variable speed motor.

Web 106 Post Likes Trane Ecm Engine Controller Trouble Hi, Y'all.


If 10 vdc is not present and it is getting all 3 phases of power the motor is bad, assuming wires 37b (rd) and 45b (bl) are intact all. Configuring the ecm engine panel. Choose from a selection of common hvac issues or pick your product for help with fixes.

Motor Offering Part Number Enclosure Horsepower Voltage Full Load Amps Rotation Dimension A Dimension B.


Web the technician must be knowledgeable of troubleshooting skills required of the hvac trade. Constant volume, which is price’s. Web check procedure if the motor does not run, make sure you have power to the ifc board and then check the voltage between pins 4 and 5 of the 5 pin plug on the motor.

Web Eon 2.3 Ecm Motor And Control Troubleshooting.


On this channel i bring you along on hvac service calls, hvac maintenance and pretty much anything else hvac related. The dip switches work in pairs to match the airflow for the outdoor unit size. If you have an ecm motor tester, skip.